Dance Dance Interactions

This was my CPSC 599.88 - Tangible UI Assignment 2. I had to work in a group to make a NIME (New Interfaces for Musical Expression). We came up with Dance Dance Interactions.

Abstract

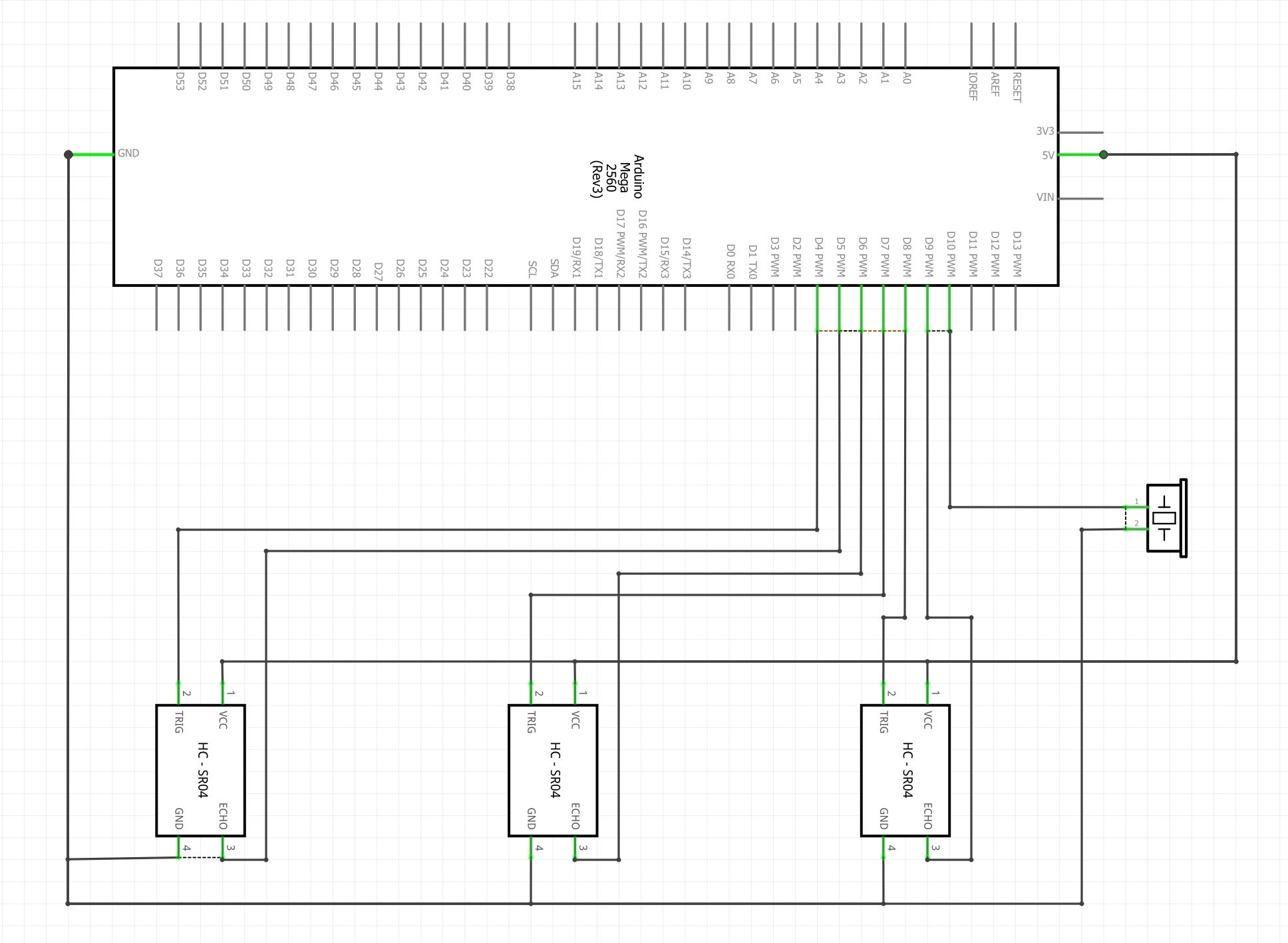
Music, the concept of music and sound, has always been a somewhat ephemeral experience. Sound waves are invisible and for the most part, imperceivable beyond hearing. Additionally, the music experience has been divided into two facets: (1) Those who play music (2) Those who experience/interpret the music. Thus our aim with the Dance Dance Interactions instrument is to map a physical interaction - dance, with an ephemeral output - music. This allows the user to physically embody their music output - giving physicality to the music performance as well as add a visual element for the audience. The Dance Dance Interactions instrument is played effectively by dancing. A series of distance sensors are placed in parallel along a plane on which the performer will stand. The system is set up so that distance intervals (every 15 cm) mp to different notes. Starting from C3 all the way to C5 - 3 Octaves worth of the C major scale.

Circuit Schematic | Fritzing Diagram

Design Process

Video Demo

References